充电桩应用手册
7kw交流充电桩改IP和端口号操作说明
7kw交流充电桩正常模式改即插即用操作说明
7kw交流充电桩修改桩号操作说明
AEV交流充电桩固件升级特殊说明
充电桩烧录器下载程序说明
一代安科瑞充电桩平台在线卡开卡软件说明书
直流桩改IP和端口号
直流桩改二维码规则
充电桩收费系统说明书V2.5.10
AEV200-AC007D系列壁挂式安装步骤
AEV200-AC007D系列立柱式安装步骤
AEV200-DC060D(080D)直流充电桩安装步骤
AEV200-DC060S(080S)直流充电桩安装步骤
AEV200-DC120S(160S)直流充电桩安装步骤
AEV300-AC007D系列壁挂式安装步骤(1)
AEV300-AC007D系列立柱式安装步骤
本文档使用 MrDoc 发布
-
+
首页
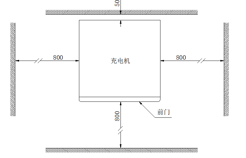
AEV200-DC120S(160S)直流充电桩安装步骤
步骤一:设备底座外形及开孔尺寸见A-1,设备安装地基具体尺寸见图A-2,基础垫层采用C10混凝土浇筑,基础采用C30混凝土浇筑并进行找平处理,预埋设备地脚固定螺栓(不锈钢)和电缆引出线管(PVC),其中预埋螺栓高出地基平面为50±3mm,预埋管高出地基平面为10±5mm。设备上部与障碍物距离不小于150mm,四周要求与障碍物距离要求见图A-3。  A-1 开孔尺寸  A-2 安装地基尺寸  A-3 与障碍物距离尺寸 步骤二:按照图A-4所示将,充电桩安装在地基上面,用钥匙将柜门打开,将预留的线缆通过1号孔,再在2、3、4、5号位置用4颗膨胀螺丝M12*110螺帽固定好充电桩。  步骤三:将如图A-5所示的进线电缆对应ABC断路器接入,N线接入到零排,PE线接入到地排,外侧柜门需要接地。 步骤四:将图A-6所示的 1、2号位置将拉住拉环打开右侧门板,将电源模块按地址从上到下1、2、3、4塞进充电桩,并将固定螺丝拧好。  步骤五:将图A-7所示的1、2、3号断路器合上并将所有柜门关上。 
acrel001
2024年7月19日 15:33
转发文档
收藏文档
上一篇
下一篇
手机扫码
复制链接
手机扫一扫转发分享
复制链接
Markdown文件
分享
链接
类型
密码
更新密码